
35小型挖掘机:整体外形采用了无尾式设计,灵活多能,在城市街道、地下室等狭小空间工况下作业,超小的回转半径保证了施工的便利性,提高施工安全性。
详情旺旺联系:张东营


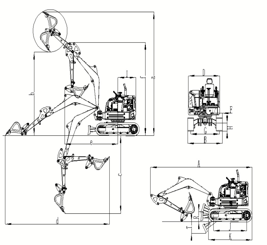
参数

| 整机尺寸(单位mm) | 性能参数 | |||
| 总长度/运输长度A | 5029mm | 工作质量(KG) | 3500kg | |
| 总宽度B | 1720mm | 斗容量M^3 | 0.12m³ | |
| 上部宽度D | 1554mm | 额定功率 | 18.5KW/2200rpm | |
| 总高度(棚顶/驾驶室顶)C | 2580 | 回转速度 | 9r/min | |
| 标准履带板宽度F | 300mm | 爬坡能力 | 58% | |
| 最小离地间隙H | 319mm | 铲斗挖掘力 | 30.4KN | |
| 尾部回转半径I | 885mm | 斗杆挖掘力 | 18.2KN | |
| 履带接地长度J | 1645mm | |||
| 履带长度K | 2150mm | |||
| 推土铲离地高度R | 393mm | |||
| 推土铲挖掘深度T | 461mm | |||
| 作业范围(单位mm) | ||||
| 最大挖掘高度a | 4938mm | |||
| 最大卸载高度b | 3376mm | |||
| 最大挖掘深度c | 3106mm | |||
| 最大挖掘距离d | 5175mm | |||
| 最小回转半径e | 2634mm | |||
| 最小回转半径时的最大高度f | 3716mm | |||
| 主要零部件 | 型号 | 参数 | ||
| 发动机 | 久保田D1703 | 额定功率18.5KW/2200 | 机油容量5.1L | 三缸直喷 |
| 流量共享主阀 | HVSE-09-09-P270-BE212 | 压力24MP | 系统流量79.2L/min | |
| 斜盘式轴向柱塞变量泵 | HP5V45/AV10RB2S2MGA-L1/1-HT1 | 排量40cc | 最高转速3250r/min | |
| 行走马达 | 变量柱塞马达 | 行走速度4.2/2.4km/h | ||
| 燃油箱 | 容量50L | |||
| 冷却系统 | 容量5.05L | |||
| 液压油箱 | 容量55L | |||










![}]39PXI2`_LQU`Y9`8@G%O1](https://cbu01.alicdn.com/img/ibank/O1CN01lofNXa1tBIxNQPqbL_!!2215624935863-0-cib.jpg?__r__=1724036161890)

